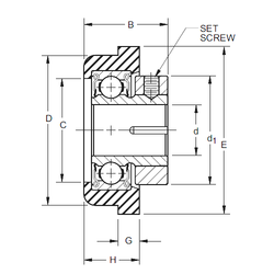
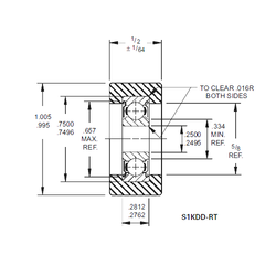
Bearing RTUEY40
Bearing number = RTUEY40
Brand = MBY
Bore Diameter (mm) = 40
From: Bearing Units
